- 질문 게시판입니다.
Date 17/04/11 01:30:42
Name   OshiN
File #1   수정됨_문서_17_2.jpg (137.0 KB), Download : 6
Subject   캐드 질문입니다.


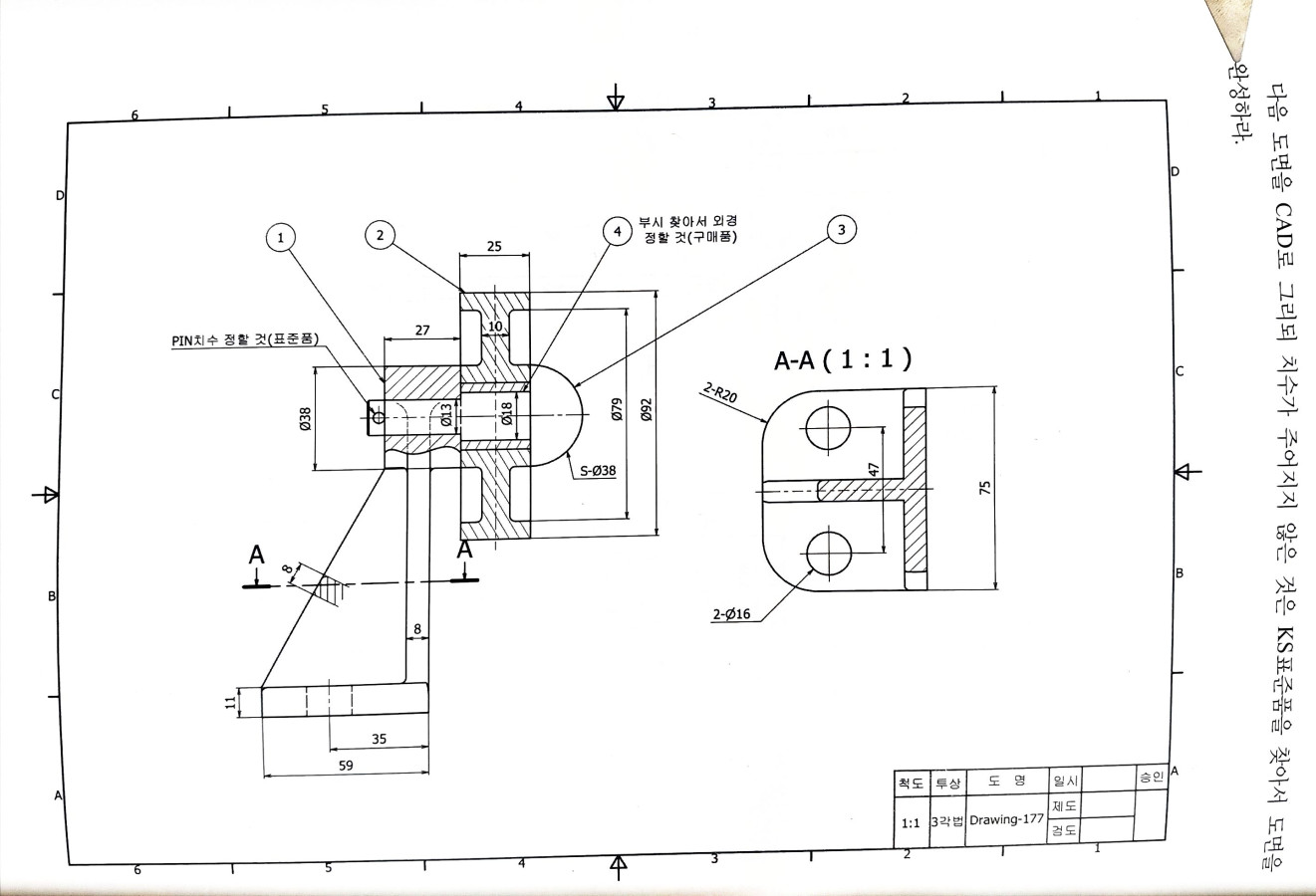
예제로 연습하는데 높이와 라운드(필렛)값이 주어지지 않아서 어떻게 그려야 할 지 모르겠습니다. 관련규격이 따로 있나요? 그리고 핀의 종류와 치수도 도통 감이 안 잡힙니다. 분할핀을 끼우란 소린가? 수업은 분명 잘 들었는데 -_-; 도움 부탁드립니다.



0


목록
번호 제목 이름 날짜 조회 추천
16475 가정/육아캡슐 커피 머신 구매의 건 22 the 25/01/22 1846 0
16365 기타캡모자를 사고 싶읍니다. 9 쉬군 24/12/10 1734 0
12578 여행캠핑장 추천 부탁드려요 10 copin 21/11/16 4605 0
12439 의료/건강캠핑용 도깨비불 성분이 뭔가요? 6 INFJ 21/10/20 5842 0
17116 가정/육아캠핑 용품 문의 13 Beemo 25/11/23 571 0
15253 기타캠코더 사양 관련 질문이 있습니다! 2 햄볶는돼지 23/09/28 2791 0
8110 IT/컴퓨터캘린더(+ 할 일) 어플 추천 부탁드려요. 3 소반 19/10/26 4641 0
1528 기타캔커피 브랜드 추천 부탁드립니다. 18 Toby 16/09/19 5302 0
9817 기타캔버스천 포스터는 어떻게 걸면 될까요. 5 쿠르드 20/07/22 6697 0
14575 기타캔디크러쉬사가 질문입니다 5 발그레 아이네꼬 23/03/12 3849 0
472 진로캐피탈사 현직자분 계실까요? 3 비빔면 15/11/14 5558 0
3655 경제캐피탈 vs 마통 10 P.GoN 17/11/09 5536 1
11684 체육/스포츠캐치볼용 글러브 추천 부탁드려요. 3 활활태워라 21/06/07 4150 0
5562 경제캐릭터 볼펜 제작해보신분 있나요? 3 Toby 18/10/01 4707 0
13857 여행캐리어 크기 문의 - 프로토스 아님 5 전국 홍차넷 협회 22/09/12 6028 0
6521 여행캐리어 구매 관련 질문입니다. 20 [익명] 19/02/12 3020 0
6768 가정/육아캐리어 가방 추천 좀 부탁드립니다. 3 tannenbaum 19/03/14 5178 0
1488 기타캐리어 가방 질문입니다 10 김치찌개 16/09/07 3103 0
1513 기타캐리어 가방 이거 뭐가 문제인가요??.jpg 9 김치찌개 16/09/13 3601 0
11689 경제캐럿퍼마일 보험 괜찮나요? 9 DogSound-_-* 21/06/09 6214 0
2634 IT/컴퓨터캐드 질문입니다. 4 OshiN 17/04/11 5582 0
6065 기타캐나다에 여행이나 관광 가서 계좌 만들 수 있을지요...? 2 [익명] 18/12/11 2574 0
5048 기타캐나다에 사는 사람에게 어느 선물을 주면 좋을까요? 7 moneyghost 18/07/15 5652 0
414 기타캐나다에 거주하고 계신(거주하셨던) 분 있으신가요? 9 하얀늑대 15/11/04 4961 0
16478 기타캐나다, 맥시코 사람들의 미국에 대한 시선? 2 2024 25/01/23 1796 0
목록

+ : 최근 2시간내에 달린 댓글
+ : 최근 4시간내에 달린 댓글

댓글